一、小程序开发需要多少费用这就要看你选择的小程序开发的方式了,如果你们公司有技术团队的话,你们可以自行开发,这种情况下的话,小程序开发成本就是员工的工资费用,以及服务器的维护费用等这些。比如说,如果你们这个团队从设计到开发再到测试一共有五个
2015款20奇骏实测油耗 奇骏2015款最新报价
一、2015款20奇骏实测油耗2.0升排量的尼桑奇骏车型,真实的燃油消耗量在百公里8升至9升之间!尼桑奇骏车型的燃油经济性表现,一直以来都是比较不错的,虽然说动力表现并不是特别的突出,但是城市内使用9升以内的油耗还是比较令人满意。在这个级别
一、2015款20奇骏实测油耗
2.0升排量的尼桑奇骏车型,真实的燃油消耗量在百公里8升至9升之间!尼桑奇骏车型的燃油经济性表现,一直以来都是比较不错的,虽然说动力表现并不是特别的突出,但是城市内使用9升以内的油耗还是比较令人满意。在这个级别当中并不算是费油的车型
二、2015款奇骏20舒适版优缺点
1、奇骏2.0舒适版车型总体来说个人认为优点是车子保值性,维修保养便利性方面比较好,品牌知名度也不错,缺点是该车型动力性一般,舒适性还有隔音性差一些。
2、总体来说2015奇骏2.0舒适版性价比非常高,质量非常不错。非常多的人推荐购买它
三、2015款奇骏20自吸有egr阀吗
1. 2015款奇骏有egr阀。
2. 因为egr阀是一种用于减少发动机排放物的装置,可以将一部分废气重新引入到燃烧室中进行再燃烧,从而减少氮氧化物的生成。
在2015款奇骏中,为了满足环保要求,厂家会配备egr阀。
3. 通过使用egr阀,2015款奇骏可以更好地控制排放物的产生,减少对环境的污染,延长发动机的使用寿命,并提高燃油经济性。
这也是现代汽车生产中的一项重要技术,为用户提供更环保、经济的驾驶体验。
四、奇骏2015款20有什么缺点
奇骏2015款2.0存在一些缺点:
1.动力不足:2.0L发动机输出功率一般,加速略显缓慢。
2.底盘多噪声:路面起伏多时,底盘会有一定的噪声。
3.内饰风格较为传统,缺乏创新性,与竞品相比略显落后。
4.后排腿部空间相对较少,及弯曲角度大,影响舒适性。
5.机械手刹不太方便。
6.油耗相对较高。
7.维修保养费用较高。
五、2015款奇骏可以升级日产智联吗
2015款奇骏可以升级日产智联。
日产智联系统是东风日产汽车公司为旗下的互联网汽车推出的一款车主服务的软件。日产智联系统主要的服务有汽车诊断,可以检查汽车的健康状况,让车主安全出行,上车之后可以一键导航到目的地,可以开启电子围栏,随时监控汽车,可以查找到汽车的位置,帮助车主便捷找车。
相关文章
- 详细阅读
-
狂龙之怒和子午七星剑哪个好 子午七星剑详细阅读
一、狂龙之怒和子午七星剑哪个好子午七星剑更加好。子午七星剑这把武器在手游当中的效果属性更加强大,首先可以带来高额的攻击力加成,同时可以降低敌人的防御力,这个效果可以让自身以及队友都吃到增益,但是缺点在于自设的呢防御力会降低不少,是目前狂战士
-
杨氏太极拳共有多少式 85式太极拳详细阅读
一、杨氏太极拳共有多少式杨氏太极三代人所传都不同,杨露禅当年所传接近今天的府内拍太极拳,共十套,即:1、智捶,2、太极大架,3、太极老架,4、太极小架,5、太极长拳,6、小九天,7、后天法,8、太极散手三十式,9、太极十三丹功,10、太极点
-
羽毛球世界排名 世界羽毛球排名详细阅读
一、羽毛球世界排名1、top13排名没有变化,安赛龙还是保持在12万+的巨分,与其他选手拉开一大截。2、李梓嘉仍居世界第二,但本站赛被陆光祖亲手关闭了通往总决赛的大门,是唯一缺席的世界前六选手。 3、几乎锁定本赛季最佳新人的奈良冈功大,本站
-
意大利语和西班牙语哪个好学一点点征求一下 lv意大利产地好还是西班牙好详细阅读
意大利语和西班牙语哪个好学一点点征求一下1、意大利语和西班牙语都是罗曼语系的语言,有一定的相似性,但在学习难度上也有一些差异。总体来说,西班牙语可能相对容易一些。2、语音方面:意大利语的语音相对比较复杂,有很多不同的音素和发音规则,而且有些
-
谁知道正定中学本部男生宿舍什么样的 正定镇中学详细阅读
一、谁知道正定中学本部男生宿舍什么样的我弟弟之前在那上的学,每个宿舍是六个人还是八个人我给忘了应该是六个人上下铺,每人一个大的橱子,地板砖的地面,宿舍内厕所自来水,卫生要求的比较严格,地面不能有一根头发,被子叠豆腐块,没有空调,有暖气二、正
-
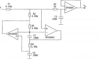
低频为什么用RC滤波 rc低通滤波器详细阅读
一、低频为什么用RC滤波低通滤波器(简称为lpe)就是让低频信号通过,阻止高频信号通过。一般用于去掉输入信号中不必要的高频成分,去除高频干扰。另外,在选频网络中也有应用。1、电源滤波就是一个典型的rc低通滤波器,设计的截止频率为50hz以下
-
DNF怎么让传承武器残影效果更明显 dnf传承武器详细阅读
一、DNF怎么让传承武器残影效果更明显1、众所周知,DNF中的伤害是由各项细节结合起来的,想要打出高额伤害,附魔、换装、打孔等细节缺一不可。在DNF里的这些细节之中,相比之下换装的提升要来得更直接一点,而且提升巨大花费最小,性价比极高。 2
-
成都最好的半永久纹绣培训学校 纹绣培训去哪学习详细阅读
一、成都最好的半永久纹绣培训学校1、在成都,有多所知名的半永久纹绣培训学校。其中,成都悦风美妆学院、成都秀缘化妆学校和成都芳秀化妆学校都是比较受学生和家长认可的。2、成都悦风美妆学院,拥有优雅的教学环境、完善的配套设施、规范的教学管理以及雄
-
羽毛球世锦赛2021赛程 世乒赛团体赛国乒赛程详细阅读
羽毛球世锦赛2021赛程2021年羽毛球世锦赛12月12日至19月在西班牙比赛己结束,本次中国男女代表队共计派出了26名队员出战,具体赛程是12月16日男女单打、男双、女双、混双1/16决赛,17日五次比赛1/4决赛,18日男双、女双、女单
-
泰国电视剧谁的青春不乱爱的人物 谁的青春不乱爱第二季详细阅读
一、泰国电视剧谁的青春不乱爱的人物谁的青春不乱爱别名歪爱时代,是由New Siwaj Sawatmaneekul执导,瓦拉丹·肯蒙达、帕努瓦·格通塔维主演的泰国电视剧。 二、谁的青春不乱爱结局电视剧《谁的青春不乱爱》的大结局是大和解,所有
